Cena:
16 490,00 CZKELECTROLUX ENT6NE18S
ombinovaná chladnička 600 TwinTech® No Frost , zachovává potraviny o 60% šťavnatější než chladničky s jedním výparníkem. Jejich duální systém zachovává ideální vlhkost a chrán ...Více informací
Díky technologii TwinTech jsou potraviny o 60 % šťavnatější a vláčnější.*
Již žádné manuální odmrazování díky TwinTech® No Frost. Duální chladicí systém navíc udržuje potraviny v chladničce o 60 % hydratovanější, než u systému s jedním výparníkem.* Tím, že chladnička nečerpá suchý vzduch z mrazničky, udržuje ideální vlhkost a chrání potraviny před vysycháním.*
*Na základě interního testu technologie TwinTech provedeného pomocí interní testovací metody, která měří hydrataci po 9 dnech uskladnění v porovnání s vlastním výrobkem s jedním výparníkem.
Přesné podmínky pro uchovávání potravin s interním elektronickým ovládáním.
Mějte kontrolu nad podmínkami skladování vašich potravin pomocí interního elektronického ovládání. LED kontrolky pohodlně ukazují teplotu a není tak pochyb o správnosti nastavení.
Uchovejte dokonalou chuť s FastFreeze
Systém FastFreeze rychle zmrazí čerstvé potraviny, aby se lépe uchovaly všechny vitamíny, textura, chutě a nutriční hodnoty potravin.
Prvotřídní LED osvětlení chladničky
Užívejte si výjimečný přehled s vnitřním LED osvětlením. Diskrétní, energeticky úsporné žárovky jasně osvítí celý prostor a mají desetkrát menší spotřebu energie než standardní osvětlení.
Určeno k plné vestavbě se spřaženými dveřmi
Čistá kapacita mrazáku : 62 (l)
Čistá kapacita chladničky : 195 (l)
Automatické rozmrazování mrazící přihrádky - TwinTech NoFrost
Automatické odmrazování
Funkce rychlého zmrazení: Funkce rychlého zmrazení rychle zmrazí větší množství právě vložených potravi a zachová vůni i vitamíny.
Zvukový a vizuální alarm vysoké teploty
Zvukové a vizuální upozornění na otevřená dvířka
Osvětlení chladničky: 1 LED integrated to controls
Poličky chladničky: 4 plná šířka, bílé plastové
Poličky mrazáku: 2, Široké, Skleněné
Zásuvky mrazáku: 3 plná šířka, průhledný plast
Speciální přihrádky chladničky: No Trims
Umístění dveřních zámků: Vpravo, zaměnitelné doleva
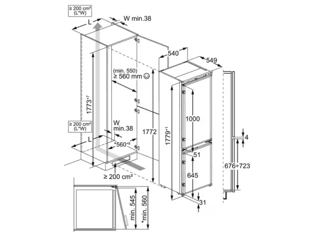
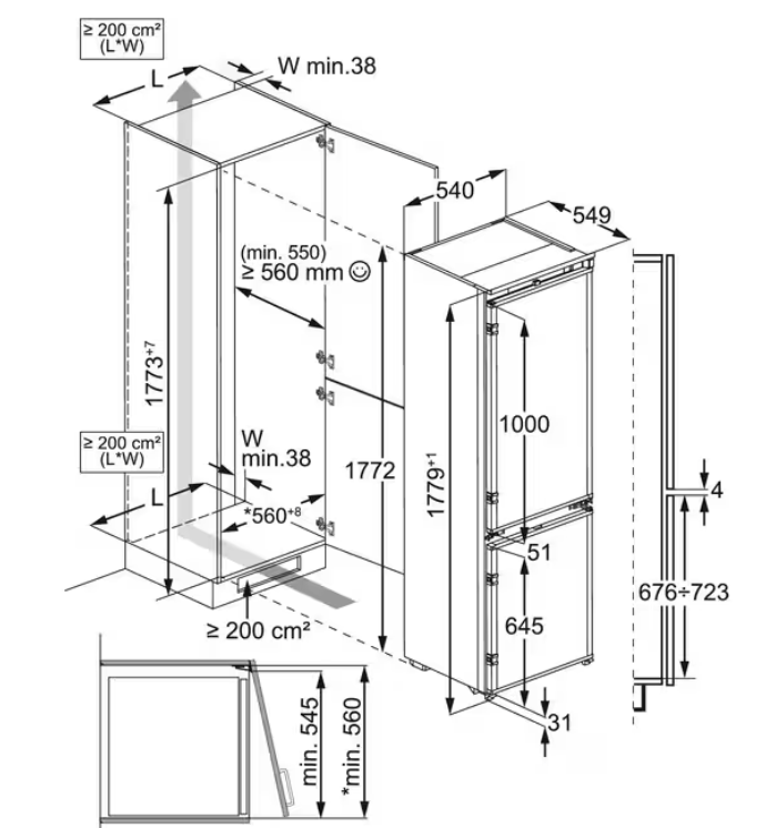
Rozměry spotřebiče VxŠxH (mm): 1772 x 546 x 549
Vestavné rozměry (mm): 1780 x 560 x 550
Výkon
Technologie zchlazování: No Frost
Odmrazování mrazničky: Automatické
Odmrazování chladničky: Automatické
Objem prostoru označeného čtyřmi hvězdičkami (lit.): 62.4
Celkový objem (lit.): 257
Akumulační doba - doba po kterou se při výpadku provozu udrží dostatečně nízká teplota aby nedošlo k tání (h): 9.5
Maximální teplota okolí, pro kterou je spotřebič vhodný (°C): 43
Úroveň emisí hluku šířeného vzduchem v dB(A) re 1pW: 35
Instalace
Instalace: Vestavná se spřaženými dveřmi
Rozměry (mm): 1772x546x549
Prostor pro instalaci VxŠxH (mm): 1780x560x550
Zavěšení dvířek: Vpravo, zaměnitelné doleva
Délka přívodního kabelu (m): 2.4
Napájecí napětí (V): 220-240
Příkon (W): 120
Energie
Klimatická třída: SN-N-ST-T
Třída energetické účinnosti: E
Doporučené nastavení teploty pro optimalizované uchovávání potravin (°C): -18
Emisní třída hluku šířeného vzduchem: B
Zmrazovací kapacita (kg/24h): 4.5
Roční spotřeba energie (v kWh/rok): 216
Ostatní
Produktové číslo (PNC): 925 505 302
Ovládání: Dotykové ovládání
Čistý objem chladničky/mrazničky (l): 192/61
Hrubý objem chladničky/mrazničky (l): 197/76
Barva: Bílá
Osvětlení chladničky: 1 LED integrated to controls
Počet termostatů: 1
EAN kód produktu: 7332543848126
| Parametrické vyhledávání | |
|---|---|
| Značka | ELECTROLUX |
| Energetická třída | E |
| Čistá kapacita chladničky | 195 |
| Hlučnost dB | 35 |
| No frost | ANO |
| Zaměnitelné otevírání dvířek | ANO |
| Šířka výrobku cm | 54 |
| Výška výrobku cm | 177 |
| Hloubka výrobku cm | 54.9 |
| Čistá kapacita mrazáku | 62 |
| Umístění mrazáku | DOLE |
| Rozměry pro vestavbu | |
| Šířka pro vestavbu cm | 56 |
| Výška pro vestavbu cm | 177.3 |
| Hloubka pro vestavbu cm | 56 |
| Odběrové místo | Skladem |
|---|---|
| Praha - hlavní sklad | Ano |
| Praha - přebalené zboží | Ne |
| Praha - Hostivice | Ne |
| Plzeň - hlavní sklad | Ne |
| Pardubice - hlavní sklad | Ne |
| Centrální sklad | Ne |






